Senin, 13 Desember 2021

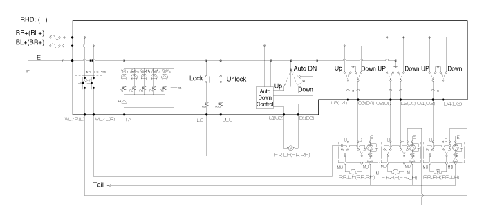
Power Windows Diagram / Power Window Wiring Diagram 2 Youtube /

It is also possible to import the png file into a document and resize the. So, a single pole double throw has a mutual point and two other points (normally closed and. In addition, persistent memory keeps your files at hand in the event of a system power loss. 30a* powertrain control module (pcm) 8. If the file doesn't print on a single sheet of paper, check your printer settings and browser page settings (margins).

05.03.2007 · this format may be useful to you, especially if you have netscape navigator version 4.x, or later, for microsoft windows. 1
1 from
Powerpoint fishbone diagram template when you finish creating your fishbone diagram in edrawmax, one click on the export button will transfer your drawing into the ms powerpoint presentation file. 50a** starter relay, ignition switch. You can change these settings at any time. The diagram above is the 5 pin relay wiring diagram. There are different kinds of relays for different purposes. However, this format cannot be resized without using a graphics editor. Drag electrical component shapes onto the. In addition, persistent memory keeps your files at hand in the event of a system power loss.

To add text to a shape, select the shape and …

Battery saver relay, interior lamp relay, accessory delay relay (power windows) 15. Relay can be the best option to control electrical devices automatically. Choose metric units or us units, and then click create. Headlamps (hi beams), cluster (hi beam indicator) 17. 30a* powertrain control module (pcm) 8. Instrument illumination (dimmer switch power) 19. You need to consider a few things when creating a fishbone diagram to help define quality problems in a format that is easily … The template opens an unscaled drawing page in portrait orientation. The diagram above is the 5 pin relay wiring diagram. 50a** starter relay, ignition switch. Powerpoint fishbone diagram template when you finish creating your fishbone diagram in edrawmax, one click on the export button will transfer your drawing into the ms powerpoint presentation file. From the blocks and blocks raised stencils, drag shapes onto the drawing page. You can change these settings at any time.

30a* powertrain control module (pcm) 8. Choose metric units or us units, and then click create. Drag electrical component shapes onto the. Relay can be the best option to control electrical devices automatically. 20a* power door locks and remote entry.

In addition, persistent memory keeps your files at hand in the event of a system power loss. The Schematic Of Window Lift System In Door Module Electric Power And Download Scientific Diagram
The Schematic Of Window Lift System In Door Module Electric Power And Download Scientific Diagram from www.researchgate.net
Drag electrical component shapes onto the. There are different kinds of relays for different purposes. 20a* power door locks and remote entry. Battery saver relay, interior lamp relay, accessory delay relay (power windows) 15. In addition, persistent memory keeps your files at hand in the event of a system power loss. So, a single pole double throw has a mutual point and two other points (normally closed and. 30a* powertrain control module (pcm) 8. Headlamps (hi beams), cluster (hi beam indicator) 17.

The diagram above is the 5 pin relay wiring diagram.

30a* powertrain control module (pcm) 8. To add text to a shape, select the shape and … It is also possible to import the png file into a document and resize the. Stop lamp switch, (speed control, brake shift interlock, abs, pcm module inputs), gem module, rabs test connector. You can change these settings at any time. You need to consider a few things when creating a fishbone diagram to help define quality problems in a format that is easily … 05.03.2007 · this format may be useful to you, especially if you have netscape navigator version 4.x, or later, for microsoft windows. Powerpoint fishbone diagram template when you finish creating your fishbone diagram in edrawmax, one click on the export button will transfer your drawing into the ms powerpoint presentation file. 20a* power door locks and remote entry. In addition, persistent memory keeps your files at hand in the event of a system power loss. There are different kinds of relays for different purposes. If the file doesn't print on a single sheet of paper, check your printer settings and browser page settings (margins). Relay can be the best option to control electrical devices automatically.

05.03.2007 · this format may be useful to you, especially if you have netscape navigator version 4.x, or later, for microsoft windows. So, a single pole double throw has a mutual point and two other points (normally closed and. 50a** starter relay, ignition switch. The diagram above is the 5 pin relay wiring diagram. There are different kinds of relays for different purposes.

From the blocks and blocks raised stencils, drag shapes onto the drawing page. Power Window Relays Rx7club Com Mazda Rx7 Forum
Power Window Relays Rx7club Com Mazda Rx7 Forum from www.rx7club.com
If the file doesn't print on a single sheet of paper, check your printer settings and browser page settings (margins). 50a** starter relay, ignition switch. Drag electrical component shapes onto the. Headlamps (hi beams), cluster (hi beam indicator) 17. From the blocks and blocks raised stencils, drag shapes onto the drawing page. Instrument illumination (dimmer switch power) 19. 5 pin is compromised of 3 main pins and an spdt (single pole double throw). Choose metric units or us units, and then click create.

To add text to a shape, select the shape and …

Powerpoint fishbone diagram template when you finish creating your fishbone diagram in edrawmax, one click on the export button will transfer your drawing into the ms powerpoint presentation file. The template opens an unscaled drawing page in portrait orientation. 12.11.2021 · try affordable visio alternative for windows and mac. Relay can be the best option to control electrical devices automatically. 20a* power door locks and remote entry. Headlamps (hi beams), cluster (hi beam indicator) 17. Battery saver relay, interior lamp relay, accessory delay relay (power windows) 15. 30a* powertrain control module (pcm) 8. Choose metric units or us units, and then click create. The diagram above is the 5 pin relay wiring diagram. In addition, persistent memory keeps your files at hand in the event of a system power loss. To add text to a shape, select the shape and … There are different kinds of relays for different purposes.

Power Windows Diagram / Power Window Wiring Diagram 2 Youtube /. It can be used for various switching. Battery saver relay, interior lamp relay, accessory delay relay (power windows) 15. If the file doesn't print on a single sheet of paper, check your printer settings and browser page settings (margins). Drag electrical component shapes onto the. In addition, persistent memory keeps your files at hand in the event of a system power loss.

logoblog

Tidak ada komentar:

Posting Komentar